Mga produkto
Cast Steel Check Valve
  • Cast Steel Check ValveCast Steel Check Valve

Cast Steel Check Valve

Gumagawa ang Jinqiu Valve ng mataas na kalidad na cast steel check valves, na mga awtomatikong valve na awtomatikong bumubukas batay sa flow pressure ng medium at awtomatikong nagsasara sa pamamagitan ng gravity o back pressure kapag ang medium ay umaagos pabalik. Ang mga balbula na ito ay angkop para sa iba't ibang mga pang-industriyang pipeline, kadalasang gawa sa cast steel, at naaangkop sa iba't ibang kondisyon ng media at temperatura.

Ang matibay na Cast Steel Check Valve ng pabrika ng Jinqiu Valve ay simetriko sa magkabilang panig, na nagbibigay-daan para sa bidirectional na daloy ng media. Ang pag-install ay diretso, inaalis ang pangangailangan na isaalang-alang ang direksyon ng pipeline, at ang operasyon ay nababaluktot at maginhawa. Ang aming pabrika ay sumusunod sa mga prinsipyo ng integridad at kalidad muna. Malugod naming tinatanggap ang iyong mga katanungan at umaasa kaming makapagtatag ng pangmatagalang pakikipagtulungan sa iyo. Nagtataglay kami ng mga pakinabang sa pagmamanupaktura, habang mayroon kang mga pakinabang sa pagbebenta. Naniniwala kami na sa pamamagitan ng pagtutulungan, makakamit namin ang win-win situation, at umaasa kaming lalago nang sama-sama!


1. Mababang resistensya ng likido: Ang panloob na medium ng cast steel check valve ay dumadaloy sa isang tuwid na linya na may kaunting resistensya, na nagpapadali sa makinis na transportasyon ng likido, kahusayan sa enerhiya, at pagiging praktikal.
2. Madaling buksan at isara: Ang gate ng cast steel check valve ay gumagalaw nang patayo kasama ng fluid, na nangangailangan ng kaunting puwersa upang buksan at isara, pinapasimple ang operasyon at makatipid ng mga gastos sa paggawa.
3. Hindi pinaghihigpitang direksyon ng daluyan ng daloy: Ang cast steel check valve ay simetriko sa magkabilang panig, na nagbibigay-daan sa bidirectional medium na daloy. Ang pag-install ay hindi nangangailangan ng pagsasaalang-alang sa direksyon ng daloy ng pipeline, na ginagawang flexible at maginhawa ang operasyon.
4. Napakahusay na pagganap ng sealing: Ang pagsusuot ay minimal kapag ganap na nakabukas; kapag sarado, ang presyon ay maaaring pilitin ang isang selyo, na epektibong pumipigil sa medium leakage.

Mga parameter ng pagganap

modelo H44H-16C~2=-0 H44W-16P~250
Presyon sa trabaho(MPa) 1.6~25
tamang temperatura (℃) ≤425 ≤550
Angkop na media Tubig, singaw, langis Mahinang kinakaing daluyan
materyal Katawan, bonnet, disc Carbon steel Chrome nickel-titanium hindi kinakalawang na asero
Ibabaw ng pagbubuklod Carbon steel surfacing iron-based alloys Selyadong katawan

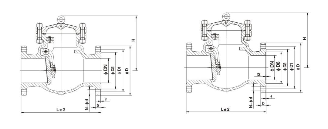
Ang pangunahing hugis at mga sukat ng koneksyon

Nominal diameterDN Ang mga pangunahing sukat at sukat ng koneksyon
L D D1 D2 b Z-d H
H44H-16C H44W-16C H44W-16P H44W-16R H44W-16I
25 160 115 85 65 16 4-14 100
32 180 135 100 78 16 4-18 105
40 200 145 100 85 16 4-18 115
50 230 160 125 100 16 4-18 135
65 290 180 145 120 18 4-18 142
80 310 195 160 135 20 8-18 165
100 350 215 180 155 20 8-18 180
125 400 245 210 185 22 8-18 210
150 480 280 240 210 24 8-23 233
200 500 335 295 265 26 12-23 304
250 550 405 355 320 30 12-25 348
300 650 460 410 375 30 12-25 390
350 750 520 470 435 34 16-25 430
400 850 580 525 485 36 16-30 468
H44H-25 H44W-25 H44W-25P H44W-25R H44W-25I
25 160 115 85 65 16 4-14 100
32 180 135 100 78 16 4-18 105
40 200 145 110 85 16 4-18 115
50 230 160 125 100 20 4-18 160
65 290 180 145 120 22 8-18 175
80 310 195 160 135 22 8-18 185
100 350 230 190 160 24 8-23 220
125 400 270 220 188 28 8-25 248
150 480 300 250 218 30 8-25 276
200 550 360 310 278 34 12-25 350
250 650 425 370 332 36 12-30 410
300 750 485 430 390 40 16-30 430
350 850 550 490 448 44 16-34 518
400 950 610 550 505 48 16-34 560

Larawan ng istraktura

Mga Hot Tags: Cast Steel Check Valve, China, Customized, Quality, Durable, Advanced, Manufacturer, Supplier, Factory, in Stock
Magpadala ng Inquiry
Impormasyon sa Pakikipag-ugnayan
  • Address

    No.1, North 1st Road, Stainless Steel New Town, Lecong Steel World West Road, Shunde District, Foshan City, Guangdong Province, China

Para sa mga katanungan tungkol sa mga gate valve, globe valve at check valve o listahan ng presyo, mangyaring iwanan ang iyong email sa amin at makikipag-ugnayan kami sa loob ng 24 na oras.

X
Gumagamit kami ng cookies para mag-alok sa iyo ng mas magandang karanasan sa pagba-browse, pag-aralan ang trapiko sa site at i-personalize ang content. Sa paggamit ng site na ito, sumasang-ayon ka sa aming paggamit ng cookies. Patakaran sa Privacy
Tanggihan Tanggapin