Mga produkto
GB Standard Globe Valve
  • GB Standard Globe ValveGB Standard Globe Valve

GB Standard Globe Valve

Ang mataas na kalidad at customized na J41H, J41Y, at J41W type GB standard globe valves ay ginawa ng JQF Valve, isang propesyonal na tagagawa ng mga valve sa China. Ang kanilang pagbubukas at pagsasara ng mga bahagi ay cylindrical valve disc, at ang sealing surface ay flat o conical. Ang mga valve disc ay gumagalaw nang linear sa kahabaan ng fluid centerline. Ang mga standard na globe valve ng GB ay angkop lamang para sa ganap na bukas o ganap na saradong mga aplikasyon at sa pangkalahatan ay hindi ginagamit para sa regulasyon ng daloy, ngunit maaaring gawin ang regulasyon ng daloy at throttling ayon sa mga pangangailangan ng customer.
Foshan Jinqiu Valve Co., Ltd. is a manufacturing factory integrating valve R&D, manufacturing, sales, and service. Our durable GB standard globe valves are specifically designed for oxygen pipelines, ensuring safe, stable, and efficient operation. Made from high-quality materials and undergoing rigorous degreasing and cleaning processes, these valves effectively prevent combustion risks and guarantee reliable sealing performance.

Ang standard na globe valve ng GB sa stock ay angkop para sa mga hanay ng presyon ng PN1.6-PN16 at mga sukat ng DN15-DN400, palaging ginagamit ang mga ito sa metalurhiya, kemikal, medikal na gas, at mga industriya ng enerhiya.

Mga Tampok na Pang-istruktura

Patuloy kaming naninibago at nagsusumikap ng kahusayan, na naaayon sa mga panahon kasama ang mataas na kalidad na GB standard na mga balbula ng globo at natatanging serbisyo sa customer! Aktibong ipinakilala namin ang mga advanced na kagamitan, pamamahala ng negosyo, at mga tauhan ng teknikal na serbisyo, na nagsusumikap na bumuo ng isang mataas na kalidad na domestic at internasyonal na tatak ng balbula. Malugod naming tinatanggap ang mga bago at lumang customer na bumisita at mag-inspeksyon sa aming mga pasilidad, makipagtulungan para sa kapwa benepisyo, at sama-samang lumikha ng mas magandang kinabukasan!

Pamantayan ng Tagapagpaganap

Mga detalye ng disenyo: GB / T 12235
Haba ng istraktura: GB / T 12221
Koneksyon ng flange: JB / T 79
Pagsubok at inspeksyon: JB / T 9002
Pagkakakilanlan ng Produkto: GB / T 12220
Mga detalye ng paghahatid: JB / T 7928

Mga tampok

1. Naka-streamline at Na-optimize na Istraktura: Ang pinasimple na disenyo ay nagpapabuti sa paggawa ng bahagi at kahusayan sa pagpapanatili ng kagamitan ng 30%. 2. Instantaneous Opening and Closing Control: Ang disenyo ng micro-stroke na istraktura ay nakakamit ng pagbubukas at pagsasara ng bilis ng pagtugon na 0.8 segundo bawat cycle. 3. Long-Lasting Sealing System: Ang self-lubricating sealing surface technology ay nakakamit ng napakababang coefficient ng friction; ang composite sealing layer ay may anti-aging lifespan na higit sa 50,000 opening at closing cycle.

Mga parameter ng pagganap

modelo J41H-16C~160C J41Y-16C~160C J41W-16P~160P
Presyon sa trabaho(MPa) 1.6~16.0
tamang temperatura (℃) ≤425 ≤150
Angkop na media Tubig, singaw, langis Mahinang kinakaing daluyan
materyal Katawan, bonnet Carbon steel Chrome nickel-titanium hindi kinakalawang na asero
Tangkay ng balbula Hindi kinakalawang na asero ng Chrome Chrome nickel-titanium hindi kinakalawang na asero
Ibabaw ng pagbubuklod Mga haluang metal na nakabatay sa bakal Hardfacing haluang metal Materyal sa katawan
tagapuno Asbestos graphite, flexible graphite, PTFE

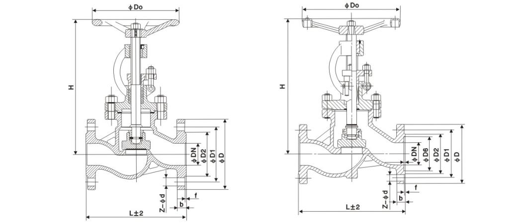
Ang pangunahing hugis at laki ng koneksyon

Nominal na diameter Ang mga pangunahing sukat at sukat ng koneksyon
L D D1 D2 b Z-d H D0
J41H-16C
15 130 95 65 45 14-2 4-Φ14 170 120
20 150 105 75 55 14-2 4-Φ14 190 140
25 160 115 85 65 14-2 4-Φ14 205 160
32 180 135 100 78 16-2 4-Φ18 270 180
40 200 145 110 85 16-3 4-Φ18 310 200
50 230 160 125 100 16-3 4-Φ18 358 240
65 290 180 145 120 18-3 4-Φ18 373 240
80 310 195 160 135 20-3 8-Φ18 435 280
100 350 215 180 155 20-3 8-Φ18 500 300
125 400 245 210 185 22-3 8-Φ18 614 320
150 480 280 240 210 24-3 8-Φ23 674 360
200 600 335 295 265 26-3 12-Φ23 811 400
250 650 405 355 320 30-3 12-Φ25 969 450
300 750 460 410 375 30-3 12-Φ25 1145 580
350 850 520 470 435 34-4 16-Φ25 1280 640
400 980 580 525 485 36-4 16-Φ30 1452 640
J41H-25C
15 130 95 65 45 16-2 4-Φ14 170 120
20 150 105 75 55 16-2 4-Φ14 190 140
25 160 115 85 65 16-2 4-Φ14 205 160
32 180 135 100 78 18-2 4-Φ18 270 180
40 200 145 110 85 18-3 4-Φ18 310 200
50 230 160 125 100 20-3 4-Φ18 358 240
65 290 180 145 120 22-3 8-Φ18 373 240
80 310 195 160 135 22-3 8-Φ18 435 280
100 350 230 190 160 24-3 8-Φ23 500 300
125 400 270 220 188 28-3 8-Φ25 614 320
150 480 300 250 218 30-3 8-Φ25 674 360
200 600 360 310 278 34-3 12-Φ25 811 400
250 650 425 370 332 36-3 12-Φ30 969 450
300 750 485 430 390 40-4 16-Φ30 1145 580
350 850 550 490 448 44-4 16-Φ34 1280 640
400 980 610 550 505 48-4 16-Φ34 1452 640

Larawan ng istraktura

Mga Hot Tags: GB Standard Globe Valve, China, Customized, Quality, Durable, Advanced, Manufacturer, Supplier, Factory, in Stock
Magpadala ng Inquiry
Impormasyon sa Pakikipag-ugnayan
  • Address

    No.1, North 1st Road, Stainless Steel New Town, Lecong Steel World West Road, Shunde District, Foshan City, Guangdong Province, China

Para sa mga katanungan tungkol sa mga gate valve, globe valve at check valve o listahan ng presyo, mangyaring iwanan ang iyong email sa amin at makikipag-ugnayan kami sa loob ng 24 na oras.

X
Gumagamit kami ng cookies para mag-alok sa iyo ng mas magandang karanasan sa pagba-browse, pag-aralan ang trapiko sa site at i-personalize ang content. Sa paggamit ng site na ito, sumasang-ayon ka sa aming paggamit ng cookies. Patakaran sa Privacy
Tanggihan Tanggapin